- D671-16EC-150-ЭП-20 Затвор дископоворотный с электроприводом.pdf71.1 кб, 02 января в 03:45
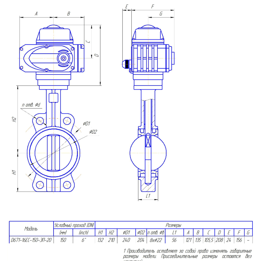
- Затвор дископоворотный межфланцевый модели D671-16EC-150 чертеж и габариты482.7 кб, 18 декабря в 11:11
Затвор дисковый поворотный межфланцевый с электроприводом Дн 150мм D671-16EC-150-ЭП-20S (DC24V, AC220V, AC380V)
Затвор дисковый поворотный межфланцевый с электроприводом Дн 150 D671-16EC-150-ЭП-20S (DC24V, AC220V, AC380V)
Корпус-чугун, Диск-нержавеющая сталь, уплотнения - EPDM
Межфланцевый дисковый поворотный затвор D671-16EC-150 с установленным электрическим приводом модель ЭП-20S
- окрашенный чугунный корпус затвора с гладкими проушинами, материал диска - нержавеющая сталь
- материал уплотнения EPDM позволяет использовать дисковый затвор в теплоэнергетике и водоподготовке со многими неагрессивными средами и газами
- компактный, металлический, антивандальный корпус электропривода оснащён визуальным индикатором положения, ручным дублёром, блоком концевых выключателей, сигнализирующих о закрытом или открытом состоянии арматуры
Дополнительно электропривод может быть изготовлен:
- на низкую температуру окружающ. среды (от -40°С)
- с потенциометром и позиционером 4-20мА, 1-10В
- с сигналом обратной связи 4-20мА
Общие технические характеристики D671-16EC-150-ЭП-20S
| Параметр |
Значение |
| Тип присоединения |
Межфланцевый |
| Условный проход, DN |
150 (6") |
| Рабочее давление, PN |
16 бар |
| Материал корпуса дискового затвора |
Чугун с эпоксидным покрытием |
| Материал диска |
Нержавеющая сталь |
| Уплотнение |
EPDM |
| Рабочая температура | От -25°С до +180°С |
| Рабочая среда |
Воздух, вода, технические газы |
| Напряжение питания привода | 24V/DC, 220/50 VACАС, 380/50 VAC |
| Время полного открытия/закрытия | для приводов 24V/DC- 12 с, для приводов 220/50 VACАС, 380/50 VAC - 30с |
| Привод |
Асинхронный электродвигатель с короткозамкнутым ротором |
| Защита | IP67, Внутренняя тепловая защита |
Габаритные и присоединительные размеры дискового затвора D671-16EC-150-ЭП-20S