Поиск по каталогу

5/2 пневмораспределитель FG2541-15L
5/2 пневмораспределитель FG2541-15L

5/2 пневмораспределитель FG2541-15L

5087

5/2 пневмораспределитель FG2541-15L с односторонним электромагнитным управлением (моностабильный):

  • напряжение питания - 12 VDC, 24 VAC, 24 VDC, 110 VAC, 220 VAC;
  • резьба для подвода воздуха - G1/2".

5/2 пневмораспределитель FG2541-15L G1/2 с электромагнитным управлением предназначен для изменения направления, пуска, остановки потоков сжатого воздуха в пневматической системе в зависимости от внешнего управляющего воздействия. При электромеханическом управлении электромагнит 5 2 пневмораспределителя с эму непосредственно перемещает распределительный элемент.


Основные технические характеристики


Технические характеристики

 

Модель 5/2 пневмораспределителя

FG2541-15L

Схема работы

5/2 пневмораспределитель с односторонним ЭМУ

 

 

 

Графическая схема работы

 

Резьба подвода воздуха

G1/2”

Резьба атмосферных каналов

G1/2”

Рабочая среда

Сжатый воздух тонкость фильтрации не менее 40мкм/ инертные газы

Тип

Золотникового типа

Рабочее давление

0,15-0,8МПа

Максимальное давление

1,2 МПа

Напряжение питания

12 VDC, 24 VAC, 24 VDC, 110 VAC, 220 VAC

Энергопотребление

AC-5.5VA, DC-3W/4.8W

Допустимые изменения напряжения питания

-15%...+10%

Степень защиты, класс изоляции

IP65/F

Температура эксплуатации

-20С ÷ +60С   (-40С по запросу)

Максимальная частота срабатывания

3 циклов в секунду

Минимальное время переключения

0,05 сек

 

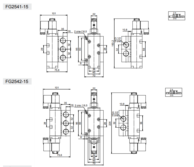
Габаритные и присоединительные размеры FG2541-15L


Габаритные и присоединительные размеры 5/2 пневмораспределителя FG2541-15L